Узел управления спринклерный водозаполненный "Прямоточный", Техническое описание
1 Общие указания по эксплуатации
1.1 Узел управления спринклерный водозаполненный
УУ-С65/1,6В-ВФ.О4 "Прямоточный-65",
УУ-С80/1,6В-ВФ.О4 "Прямоточный-80"
УУ-С100/1,6В-ВФ.О4 "Прямоточный-100"
УУ-С150/1,6В-ВФ.О4 "Прямоточный-150"
УУ-С65/1,6В-ВФ.О4-01 "Прямоточный-65" (с камерой задержки)
УУ-С80/1,6В-ВФ.О4-01 "Прямоточный-80" (с камерой задержки)
УУ-С100/1,6В-ВФ.О4-01 "Прямоточный-100" (с камерой задержки)
УУ-С150/1,6В-ВФ.О4-01 "Прямоточный-150" (с камерой задержки)
1.2 После распаковки проверить комплектность и произвести внешний осмотр Узел управления и его комплектующих.
1.3 Узел управления устанавливается вертикально (направление потока вверх).
1.4 Эксплуатацию Узел управления производить в соответствии с требованиями настоящего Руководства по эксплуатации.
2 Назначение изделия
2.1 Узел управления спринклерный водозаполненный предназначен для работы в спринклерных установках водяного и пенного пожаротушения; осуществляет подачу огнетушащей жидкости в стационарных автоматических установках; выдает сигналы о своем срабатывании и для включения пожарного насоса.
2.2 УУ соответствует климатическому исполнению О категории размещения 4 для работы с нижним предельным значением температуры плюс 4 °С по ГОСТ 15150-69.
2.3 Пример обозначения узла управления спринклерного водозаполненного DN100 с устройством задержки:
УУ-С100/1,6В-ВФ.О4-«Прямоточный - 100»
2.4 Пример обозначения узла управления спринклерного водозаполненного DN100 с камерой задержки:
УУ-С100/1,6В-ВФ.О4-01-«Прямоточный - 100»
3 Комплект поставки
3.1 УУ поставляется в собранном виде, но имеет демонтированные комплектующие элементы, которые уложены отдельно.
3.2 Комплект поставки УУ приведен в таблице 1.
4 Основные технические характеристики
4.1 Технические характеристики УУ, зависящие от конструктивного исполнения, приведены в таблице 2.

Таблица 2 - Технические характеристики УУ-С65, УУ-С80, УУ-С100, УУ-С150
5 Устройство и принцип работы
5.1 Основным элементом УУ является клапан (К) сигнальный спринклерный «Баге плюс». Клапан – нормально закрытое запорное устройство, предназначенное для пуска огнетушащего вещества и выдачи управляющего гидравлического импульса.
5.2 Клапан (К) (рисунок 1) состоит из корпуса 1, с входным «А» и выходным «Б» отверстиями, затвора 3, установленного шарнирно на оси 6, которая фиксируется от смещения двумя пробками 8. Необходимое уплотнение, между затвором 3 и седлом 2, обеспечивается резиновой пластиной 4, закрепленной на затворе при помощи болта 5 (в УУ DN100 и DN150 болт выполняет роль компенсатора для подпитки питающего трубопровода; в УУ DN65 и DN80 данный компенсатор выполнен в корпусе клапана). Обратный клапан 7, препятствует сбросу давления в питающем трубопроводе при его уменьшении в подводящем трубопроводе. В УУ DN65 и DN80 обратный клапан установлен снаружи корпуса (рисунок 1а), в УУ DN100 и DN150 обратный клапан установлен внутри корпуса (рисунок 1б). Для ремонта и обслуживания клапана, в его корпусе предусмотрено окно, закрытое крышкой 10 с прокладкой 9.
5.3 Для связи с внешними устройствами сигнализации служит сигнальное отверстие «C», для контроля состояния служат рабочее «Р» и побудительное «П» отверстия. Дренажное отверстие «Д» предназначено для быстрого слива жидкости при техническом обслуживании. Контрольное отверстие «К» предназначено для проверки работоспособности спринклерной водозаполненной системы.
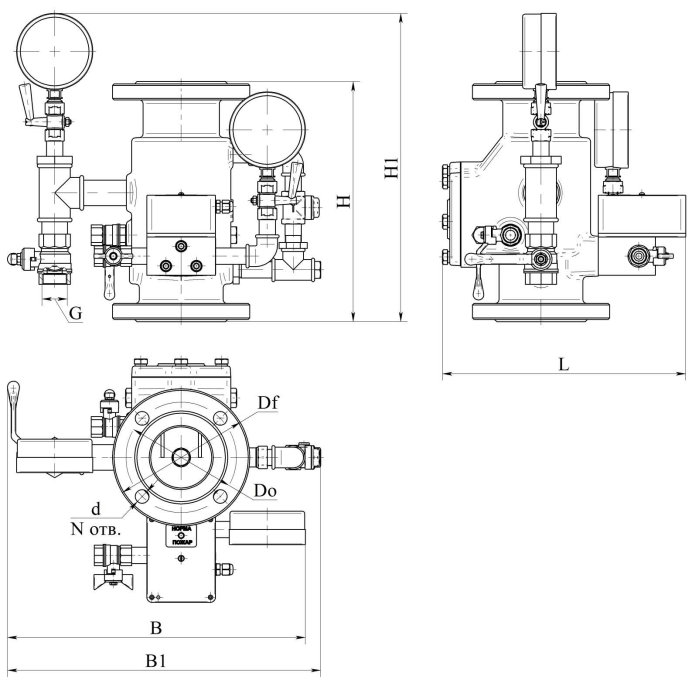
5.4 Общий вид УУ с камерой задержки представлен на рисунках 3, 5. Общий вид УУ с устройством задержки представлен на рисунках 2, 4. Масса, габаритные и присоединительные размеры УУ приведены в приложениях А, Б (таблицы А.1 и Б.1). Гидравлическая принципиальная схема УУ приведена в приложениях В, Г (таблицы В.1 и Г.1), печатная плата УУ с устройством задержки с расположением клемм и перемычек приведена на рисунке 6.
5.5 Два трехходовых крана (ВМ1, ВМ2) предназначены для отключения манометров при техническом обслуживании.
5.6 Два сигнализатора давления (НР1, НР2) предназначены для выдачи сигнала при срабатывании УУ. Для УУ с устройством задержки, сигнализаторы давления установлены в модуле УУ и с коммутированы по схеме «ИЛИ».
5.7 Манометр (МН1) предназначен для контроля давления в питающем трубопроводе.
5.8 Манометр (МН2) предназначен для контроля давления в подводящем трубопроводе.
5.9 Кран (КН1) с компенсатором (КМ1) предназначен для проверки работоспособности УУ (в дежурном режиме закрыт).
5.10 Кран (КН5) предназначен для проверки работоспособности сигнализаторов давления при техническом обслуживании (в УУ с камерой задержки). В УУ с устройством задержки проверка работоспособности сигнализаторов давления выполняется краном (КН1).
5.11 Кран (КН2) предназначен для закрытия и открытия сигнального отверстия при установке УУ в дежурный режим (в дежурном режиме открыт).
5.12 Компенсатор (КМ2) (в УУ с устройством задержки) и компенсаторы (КМ2) и (КМ4) (в УУ с камерой задержки) предназначены для создания подпора в сигнальной линии.
5.13 Кран (КН3) предназначен для слива жидкости в дренаж из клапана и питающего трубопровода (в дежурном режиме закрыт).
5.14 Компенсатор (КМ3) предназначен для подпитки питающего трубопровода (Приложение В).
5.15 Дренажные трубки представляют собой гибкие трубки, предназначенные для направления потока рабочей жидкости в дренаж.
5.16 При срабатывании спринклерного оросителя давление в питающем трубопроводе и в полости над затвором снижается, жидкость под избыточным давлением во вход-ной полости клапана открывает затвор, и часть ее по кольцевой канавке седла под давлением поступает в сигнальное отверстие и по трубопроводу поступает в сигнальную линию. На пути стока жидкости по дренажной трубке в дренаж в сигнальной линии установлен компенсатор (КМ2), создающий дополнительное сопротивление жидкости и обеспечивающий необходимое давление для срабатывания сигнализаторов давления (НР1, НР2). Сигнализаторы давления выдают сигналы для управления насосом и на пульт центрального наблюдения, УУ переходит в рабочий режим.
а) DN65, DN80; б) DN100, DN150
«А»-входное отверстие, «Б»-выходное отверстие, «C»-сигнальное отверстие, «Р»-рабочее отверстие, «П»-побудительное отверстие, «Д»-дренажное отверстие,
«К»-контрольное отверстие
1-корпус, 2-седло, 3-затвор, 4-резиновая пластина, 5-болт (в УУ DN100 и DN150 болт выполняет роль компенсатора для подпитки питающего трубопровода; в УУ DN65 и DN80 данный компенсатор выполнен в корпусе), 6-ось, 7-обратный клапан, 8-пробка, 9-прокладка, 10-крышка.

Рисунок 2 - Узел управления спринклерный водозаполненный DN65, 80 с устройством задержки

Рисунок 3 - Узел управления спринклерный водозаполненный DN65, 80 с камерой задержки

Рисунок 4 - Узел управления спринклерный водозаполненный DN100, 150 с устройством задержки

Рисунок 5 - Узел управления спринклерный водозаполненный DN100, 150 с камерой задержки
6. Требования безопасности
6.1 Требования безопасности – по ГОСТ 12.2.003–91 и ГОСТ 12.2.063-2015, а так-же согласно Правилам устройства электроустановок.
6.2 Доступ к частям УУ должен быть удобным и безопасным согласно ГОСТ 12.4.009-83.
6.3 Запрещается проведение регулировок и наладочных работ на УУ в дежурном режиме.
7 Порядок установки и подготовки к работе
7.1 Установить УУ в соответствии с монтажным проектом. Установить демонтированные комплектующие элементы УУ (таблица 1), обеспечить герметичность.
7.2 Провести испытание на герметичность пробным гидравлическим давлением 1,25·Pраб.max в течение 10 мин.
7.3 Для УУ с устройством задержки произвести подключение цепей для формирования сигналов в шкаф управления насосной станцией и в помещение пожарного поста, для чего необходимо снять верхнюю крышку распределительной коробки для обеспечения доступа к печатной плате модуля УУ и ее клеммнику, открутив винт.

Рисунок 6 - Печатная плата модуля УУ с устройством задержки с расположением клемм и перемычек
7.4 Установить требуемое время задержки сигнала о срабатывании (для УУ с ка-мерой задержки время задержки сигнала о срабатывании постоянно):
7.4.1 Подключение УУ без задержки сигнала о срабатывании: убрать перемычку коммутатора ХР3 на печатной плате;
подключить УУ к внешним приборам (рисунок 6) к контактам 7-8 или 9-10 клеммника (в зависимости от проекта), при этом питание на плату подавать не нужно.
7.4.2 Установка задержки сигнала о срабатывании УУ: установить перемычку коммутатора ХР3 на печатной плате;
установить время задержки сигнала о срабатывании, исходя из требований проекта, путем установки перемычек коммутаторов ХР1 и ХР2 на печатной плате в необходимое положение;
подключить УУ к внешним приборам (рисунок 6) к контактам 3-4 или 5-6 клеммника (в зависимости от проекта);
подать напряжение питания от 9 до 30 В на плату, при этом индикатор загорится зеленым светом (без подачи напряжения сигнал о срабатывании (на контактах 3-4 или 5-6 клеммника) и индикация отсутствуют).
7.5 Закрыть крышку распределительной коробки.
7.6 Установку УУ в дежурный режим выполнять в следующей последовательности (рисунки 2, 3, 4, 5):
закрыть все органы управления УУ (краны, вентили и задвижку);
открыть задвижку ЗД для заполнения системы огнетушащей жидкостью и создания в клапане и питающем трубопроводе давления. Контроль давления производить по манометрам МН1, МН2;
открыть кран КН2 для связи сигнального отверстия с атмосферой, дать стечь на-копившейся жидкости из сигнальной линии. Кран не закрывать!
убедиться в отсутствии утечек, которых в дежурном режиме быть не должно; убедиться в отсутствии воздушных «мешков» в распределительных трубопроводах. Необходимо учитывать расширение пластиковых трубопроводов;
настроить (при необходимости) жокей-насос. Рекомендуемая производительность жокей-насоса – от ½ до ⅔ от производительности спринклерного оросителя в секции.
7.7 Произвести, при необходимости, пробный пуск УУ: открыть кран КН1;
затвор клапана должен открыться, а сигнализатор давления НР1 или НР2 должен выдать сигнал о срабатывании клапана. Для УУ с устройством задержки, при установленной задержке сигнала о срабатывании, индикатор загорится красным светом по истечении установленного времени задержки. Для УУ с камерой задержки, сигнализатор давления выдаст сигнал о срабатывании после заполнения камеры задержки;
установить УУ в дежурный режим согласно п. 7.6.
8 Техническое обслуживание
8.1 Техническое обслуживание является мерой поддержания работоспособности УУ, предупреждения поломок и неисправностей, а также повышения надежности работы, повышения безотказности и увеличения срока службы.
8.2 Техническое обслуживание УУ должно проводиться по планово-предупредительной системе, предусматривающей работы по годовому техническому
обслуживанию:
технический осмотр; профилактический осмотр; регламентные работы.
8.3 Технический осмотр УУ необходимо проводить ежедневно путем внешнего осмотра. Допускается организация дистанционного сбора информации о состоянии УУ и выводе ее в помещение с круглосуточным пребыванием дежурного персонала. При этом проверяется:
соответствие давления проектному режиму (контролируется по манометрам МН1 и МН2);
плотность закрытия затвора клапана (контролируется по отсутствию утечек через дренажную трубку сигнальной линии).
8.4 Профилактический осмотр УУ необходимо проводить один раз в квартал путем внешнего осмотра и устранения замеченных недостатков. При этом необходимо:
провести технический осмотр по п. 8.3; проверить состояние уплотнений; проверить состояние крепежных деталей;
проверить состояние проходных отверстий компенсаторов КМ1, КМ2 и КМ4 дренажных трубок.
8.4.1 Регламентные работы по обслуживанию клапана должны совмещаться с регламентными работами по обслуживанию установки пожаротушения. При проведении регламентных работ необходимо выполнять следующие операции:
закрыть задвижку ЗД в системе на подводящем трубопроводе;
открыть кран КН3, слить жидкость через дренажное отверстие в клапане;
снять крышку 10 (рисунок 1), открутить пробки 8, вынуть ось 6, вынуть затвор 3; произвести осмотр резиновой пластины 4 и прокладки 9, при необходимости
заменить;
произвести чистку компенсатора КМ3 (выполненного в корпусе для DN65 и DN80, или установленного на затворе для DN100 и DN150);
произвести очистку внутренних поверхностей клапана 1 от загрязнений; провести проверку работоспособности обратного клапана 7, при необходимости
заменить;
произвести осмотр поверхности седла 2 клапана и устранить обнаруженные дефекты;
произвести чистку фильтра крана КН2 на узле управления с камерой задержки; произвести сборку клапана;
установить УУ в дежурный режим согласно п. 7.6; произвести пробный пуск УУ согласно п. 7.7.
9 Возможные неисправности и методы их устранения
9.1 Перечень возможных неисправностей УУ и способы их устранения приведены в таблице 3.
10 Транспортирование и хранение
10.1 Транспортирование УУ и комплектующего оборудования в упаковке следует проводить в крытых транспортных средствах любого вида в соответствии с правилами, действующими на данном виде транспорта. Условия транспортирования в части воздействия климатических факторов должны соответствовать условиям 6 по ГОСТ 15150-69 с нижним предельным значением температуры минус 50 °C, в части воздействия механических факторов – условиям С по ГОСТ 23170-78.
10.2 При погрузке и выгрузке следует избегать ударов и других неосторожных механических воздействий на тару.
10.3 После транспортирования УУ при отрицательных температурах воздуха, перед включением он должен быть выдержан в течение не менее 6 часов в помещении с нормальными климатическими условиями.
10.4 При транспортировании УУ в районы Крайнего Севера и труднодоступные районы должны соблюдаться требования ГОСТ 15846–2002.
10.5 До монтажа на защищаемом объекте УУ должен находиться в помещении или под навесом, где колебания температуры и влажности воздуха несущественно отличаются от колебаний на открытом воздухе (например, палатки, металлические хранилища без теплоизоляции), расположенные в макроклиматических районах с умеренным и холодным климатом в атмосфере любых типов, что соответствует условиям 5 по ГОСТ 15150-69 в части воздействия климатических факторов внешней среды.
11 Указания по утилизации
11.1 УУ не представляют опасности для окружающей среды и здоровья людей после окончания срока службы.
11.2 УУ не содержат драгоценных металлов.
11.3 УУ не выделяют вредных веществ в процессе эксплуатации и хранения. По истечении срока службы изделие подлежит утилизации на общепринятых основаниях. Других специальных мер при утилизации не требуется.
12 Гарантийные обязательства
12.1 Гарантийный срок эксплуатации УУ составляет 3 года со дня ввода в эксплуатацию, но не более 3,5 лет со дня отгрузки потребителю при соблюдении потребителем правил монтажа, эксплуатации, транспортирования и хранения.
12.2 Гарантийное обслуживание не производится в следующих случаях: нарушение требований, изложенных в настоящем руководстве;
если нормальная работа оборудования может быть восстановлена его надлежащей настройкой и регулировкой, очисткой от грязи, проведением технического обслуживания изделия.
Приложение А
Габаритные и присоединительные размеры (в миллиметрах)
узла управления спринклерного водозаполненного с устройством задержки (дренажные трубки не показаны)
Приложение Б
Габаритные и присоединительные размеры (в миллиметрах)
узла управления спринклерного водозаполненного с камерой задержки (дренажные трубки не показаны)
Приложение В
Схема гидравлическая принципиальная УУ с устройством задержки
Таблица В.1 - Обозначения, используемые в схеме гидравлической принципиальной УУ с устройством задержки
Приложение Г
Схема гидравлическая принципиальная УУ с камерой задержки











